专业销售榆次油研、日本油研、台湾油研
   加入收藏 | 网站地图| 企业邮局
榆次油研,日本油研,台湾油研销售热线:0510-85569005
主页导航 关于我们 产品展示 技术资料  品牌库  在线留言 联系我们
 
产品列表  
汇川伺服电机
汇川工业机器人
汇川可编程控制器
汇川电液系统
汇川变频器
榆次油研
日本油研
台湾油研
北部精机
力士乐
榆次液压
海天伺服系统
联系我们

地址:无锡梁溪区会北路科创园三区26-11
联系人:张经理
公司电话:0510-85569005
技术服务:0510-82623305
网址:www.wxleyan.com

客户反馈
技术文库
联系我们
 
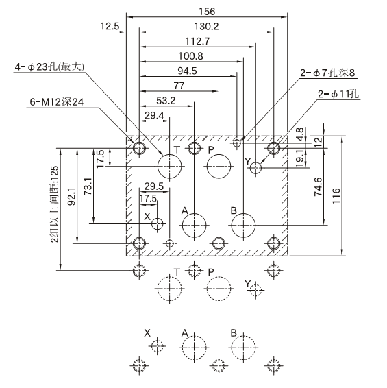
当前位置:首页 > 产品展示 > 06系列叠加阀的安装面尺寸
06系列叠加阀的安装面尺寸
    
COPYRIGHT © 2015 无锡乐研自动化科技有限公司 版权所有.
联系人:张小姐 电话:0510-85569005 传真:0510-82623305 地址:无锡梁溪区会北路科创园三区26-11 网址:www.wxleyan.com